Description
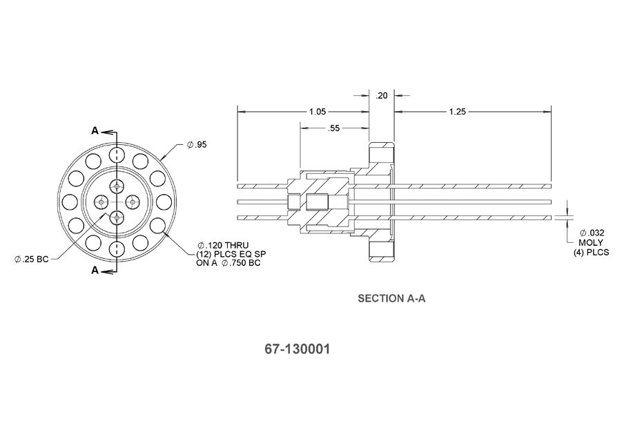
Multi-CFTM Feedthrough Flanges: Sub-Mini 0.95” CF
Kimball Physics Multi-CFTM 0.95” Sub-mini UHV Flange Feedthroughs enable reliable high voltage and high current electrical connection to your apparatus inside the vacuum chamber or instrument housing.
The 0.95” CF flange is precision CNC fabricated from 316L stainless steel with options for various pin materials (Cu, Moly) and pin numbers (1, 2, 4), with a BNC and SMA connection also an option.
Pin diameter and spacing allow for high voltage and current capabilities (5kV and 55 Amps with the single copper pin and 2kV and 8.5 Amps with the two (2) and four (4) pin Moly connectors). The BNC connector option allows up to 500 V and 3 Amps.
All Feedthroughs are UHV compatible with Bakeout temperatures up to 450oC.











